- Oleodinamica Vivoil 铝制外齿轮单向液压泵XV-2P/09 、7P45020030
详细信息
品牌:Oleodinamica Vivoil 原理:液压泵 驱动方式:气动 材质:不锈钢 用途:增压泵 泵轴位置:卧式 型号:XV-2P/09 、7P45020030 产品参数
Oleodinamica Vivoil 铝制外齿轮单向液压泵 XV-2P/09 、7P45020030

Oleodinamica Vivoil 铝制外齿轮单向液压泵(型号:XV-2P/09、7P45020030)技术参数
一、Oleodinamica Vivoil 铝制外齿轮单向液压泵 XV-2P/09 、7P45020030基本性能参数
- 排量:8.40 立方厘米 / 转
- 工作压力(P1):260 巴
- 峰值压力(P3):300 巴
- 旋转方向代码:
- 左旋转:X2PF1111
- 右旋转:X2P4512FSRA1
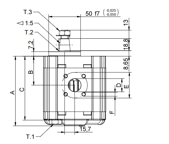
二、Oleodinamica Vivoil 铝制外齿轮单向液压泵 XV-2P/09 、7P45020030尺寸与重量
- 重量:2.300 千克
- 尺寸参数:
- 尺寸 A:94.2 毫米
- 尺寸 B:40.6 毫米
- 尺寸 C:84.2 毫米
- 进出口参数:
- 入口:D 为 020,E 为 40,F 为 M6x32
- 出口:D 为 015,E 为 35,F 为 M6x12
三、Oleodinamica Vivoil 铝制外齿轮单向液压泵 XV-2P/09 、7P45020030其他参数
- 代码:453
- 标准螺纹:O-O、S-R、B-B、L-M、Z-Z

单向泵 - XV 系列 “BH” TPE 泵参数说明
一、基本信息
- 类型:XV “BH” TPE 泵,050 型体式法兰,锥轴 X2P 5112 F SRA 系列
- 类别:X 系列 XV 组 2 组,单向泵
- 排量:51、17
- 法兰:12、050 BH(德国标准)
- 旋转方向:右旋
- 轴:C0002 - 锥度 1:5-017.-M12x1.5 - 键厚 3
- 泵体入口:040,45°,020 M6
- 出口:035,45°,015 M6
- 端盖:A 标准
二、技术参数表
型号 排量(立方厘米 / 转) 工作压力 P1(巴) 峰值压力 P3(巴) 左旋转代码 右旋转代码 XV-2P/04 4.20 260 300 X2P4111FSRA X2P4112FSRA XV-2P/06 6.00 260 300 X2P4311F X2P4312FSRA XV-2P/09 8.40 260 300 X2PF111 X2P4512FSRA XV-2P/11 10.80 260 300 X2P11.F X2P4712FSRA XV-2P/14 14.40 250 290 X2P11.F X2P4912FSRA XV-2P/17 16.80 230 270 X2P1112F X2P5112FSRA XV-2P/19 19.20 210 250 X2P11F X2P5312FSRA XV-2P/22 22.80 200 240 X2P5511F X2P5512FSRA XV-2P/26 26.20 170 210 X2P5711F X2P5712FSRA XV-2P/30 30.00 160 200 X2P5911F X2P5912FSSA XV-2P/34 34.20 150 190 X2P6111F X2P6112FSSA XV-2P/40 39.60 140 180 X2PF6311 X2P6312FSSA
注:对于重型应用,建议检查轴的允许扭矩。三、尺寸与重量表
型号 重量(千克) 尺寸 A(毫米) 尺寸 B(毫米) 尺寸 C(毫米) 入口参数 出口参数 D E F D E F XV-2P/04 2.100 87.2 38.6 77.2 020 40 M6x1 015 35 M6x1 XV-2P/06 2.200 90.2 38.6 80.2 020 40 M6x2 015 35 M6x1 XV-2P/09 2.300 94.2 40.6 84.2 020 40 M6x3 015 35 M6x1 XV-2P/11 2.400 98.2 45.0 88.2 020 40 M6x4 015 35 M6x1 XV-2P/14 2.600 104.2 45.0 94.2 020 40 M6x5 015 35 M6x1 XV-2P/17 2.700 108.2 45.0 98.2 020 40 M6x6 015 35 M6x1 XV-2P/19 2.800 112.2 45.0 102.2 020 40 M6x7 015 35 M6x1 XV-2P/22 2.950 118.2 52.5 108.2 020 40 M6x8 015 35 M6x1 XV-2P/26 3.050 122.2 52.5 112.2 020 40 M6x9 015 35 M6x1 XV-2P/30 3.300 130.2 60.7 120.2 020 40 M6x10 020 40 M6x1 XV-2P/34 3.500 137.2 60.7 127.2 020 40 M6x11 020 40 M6x1 XV-2P/40 3.700 146.2 60.7 136.2 020 40 M6x12 020 40 M6x1 四、扭矩参数
- T.1 = 54:58.9 [牛米] - M10 螺丝的拧紧扭矩
- T.3 = 40 [牛米] - 扭矩扳手设定值 19
- T.2 = 233.2 [牛米] - 允许的轴扭矩(注:选择轴时,务必检查允许的扭矩)
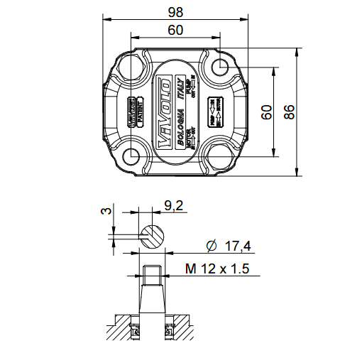
五、轴与端盖变化表(VVOIL XV-2P,?50 “BH” 体式法兰)
旋转方向 轴与端盖参数 左旋转 11:32.5 出口 O 12 13;32.5 32.5 入口 O 12 32.5 15;出口 O 12 入口 O 12 17 右旋转 12:出口 O 12 32.5;32.5 32.5 32.5 入口 O 12;出口 O 入口 O 12 轴参数详情
- A:6.45 30 T.2 = 44.1 [牛米] CI001 - 平行 13 M6x1 15 h7 O 4 9
- B:T.2 = 67.5 [牛米] CI002 - 平行 17.42 O 6.45 G 1:8 12.5 M12x1.5 17.42 O 4 9.4
- E:17.42 O 6.45 T.2 = 233.2 [牛米] CO001 - 锥形 G 1:8 21.5 12.5 M12x1.5 17.42 O 9.4 4
- F:T.2 = 233.2 [牛米] CO002 - 锥形 17.42 O 8.65 G 1:5 21.5 13 M12x1.5 M12x1.5 17.42 O 17.42 O 3 9.2
- H:m=1.6 Z=9 DIN 5482 - 17x14 6.55 T.2 = 86.1 [牛米] SCF03 - 花键 18.8 O 16.5 h11
六、标准泵体型号与代码对应表
型号 代码 XV-2P/04 41 XV-2P/06 43 XV-2P/09 45 XV-2P/11 47 XV-2P/14 49 XV-2P/17 51 XV-2P/19 53 XV-2P/22 55 XV-2P/26 57 XV-2P/30 59 XV-2P/34 61 XV-2P/40 63 七、排量与标准螺纹对应表(排量 4 立方厘米 / 转)
排量(立方厘米 / 转) 标准螺纹组合 4 O-O、S-R、B-B、L-M、Z-Z 6 O-O、S-R、B-B、L-M、Z-Z 9 O-O、S-R、B-B、L-M、Z-Z 11 O-O、S-R、B-B、L-M、Z-Z 14 P-O、S-R、C-B、L-M、Z-Z 17 P-O、S-R、C-B、L-M、Z-Z 19 P-O、S-R、C-B、L-M、Z-Z 22 P-O、S-R、C-B、L-M、Z-Z 26 Q-P、S-R、D-C、L-M、Z-Z 30 Q-P、S-S、D-C、L-M、Z-Z 34 Q-P、S-S、D-C、L-M、Z-Z 40 Q-P、S-S、D-C、L-M、Z-Z 八、库存标准法兰和螺纹组合表(泵体(螺纹 / 法兰))
3/8"BSP 3/8"BSP A、1/2"BSP 1/2"BSP B、3/4"BSP 3/4"BSP、1"BSP 1"BSP、M14x1.5、M16x1.5、M18x1.5 G、M20x1.5 H、M22x1.5 I、1-16"-12UNF、7/8"-14UNF、1-5/16"-12UNF、M6x1 O 13.5 O 30 20 M8x1.25 O 40 P、O 23.5 M8x1.25 O 40 Q、O 15 M6x1 O 35 R O、20 M6x1 O 40、O 20 4
品牌介绍
自 1985 年创立以来,Vivoil Oleodinamica Vivolo srl 在液压元件领域始终秉持专注与创新的精神。品牌创始人 Domenico Vivolo 先生曾在 Turolla 积累了 25 年行业经验,凭借对液压技术的热忱独立创业,从*初的液压元件组装与销售起步,逐步发展成为业务遍及 60 多个国家的全球化企业。
Vivoil:始于 1985 年的液压元件匠心品牌实力沉淀:从手工匠艺到智能制造
2005 年是 Vivoil 发展历程中的重要里程碑 —— 公司迁至博洛尼亚 Budrio 的总部工厂,同时开启内部制造流程,30 名员工在此共同铸就品质传奇。如今,Vivoil 的产品线已全面覆盖外齿轮式液压泵(单向和可逆)、外齿轮式液压马达(单向和可逆)、多台外齿轮液压泵(组装式与分体式)及流道分配器,全方位满足工业液压领域的多样化需求。
在制造过程中,Vivoil 坚持 “细节至上” 的理念:核心部件选用 7000 系列铝材等优质材料,高精度产品通过 5 轴机床一次夹持加工,确保精度与稳定性;设计师团队凭借数十年行业经验,在兼顾技术性能的同时注重美学细节,使每一件产品都成为可靠与耐用的代名词。核心优势:以客户为中心的三大承诺
可靠性
从原材料甄选到成品测试,全流程均在意大利工厂完成手工制造与严苛检验。依托团队的技术积累与优质材料的加持,Vivoil 的液压元件能够适应各类复杂工况,为客户提供 “可信赖的坚固产品”。高度灵活性
打破行业对*小订单量的限制,即便小订单也能实现定制化生产。产品分为 4 个尺寸组(0、1、2、3),可适配不同排量需求;更可定制阀门、重型支架、法兰及轴配置,通过生产到销售全链条的协同配合,确保每一件产品精准匹配客户的实际生产需求。全维度品质观
Vivoil 坚信 “服务与产品同等重要”。无论是应对紧急交付需求,还是深度解析生产场景以匹配合适的液压元件,品牌都会调动设计、技术、商业及行政团队共同协作,以*快速度提供*适配的解决方案,让 “质量” 贯穿从需求理解到产品交付的每一个环节。全球信赖:60 国客户的共同选择
如今,Vivoil 的液压元件已赢得欧洲乃至全球客户与分销商的广泛认可,这源于品牌对 “可靠性、灵活性、快速响应” 的坚守。无论是工业制造、重型机械还是特殊工况,Vivoil 始终以匠心品质与定制化服务,成为客户液压系统的坚实后盾。
选择 Vivoil,便是选择一个拥有 38 年行业积淀、以客户需求为导向的液压伙伴 —— 这里既有经得起时间考验的产品,更有全力以赴的服务承诺。 -
供应商的其他相关信息
查看更多
扫一扫,手机浏览



















