- HEB双作用圆形液压缸/活塞式液压缸Z100-111-25/12/25,00-206/M1
详细信息
品牌:HEB 型号:Z100-111-25/12/25,00-206/M1 加工定制:否 类型:活塞式液压缸 安装形式:双耳环视安装 压力范围:0.1 MPa 适用范围:模具 工具 夹具制造 产品别名:通用圆形油缸 速度范围:0.2-0.3 m/s 缸径:25 mm 杆径:12 mm 速比:1.30 
产品参数型号结构解析
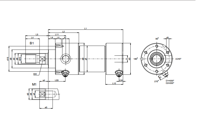
部分 含义 Z100 产品系列:HEB 圆形液压缸 111 安装形式:带关节轴承的铰接耳板(Bauform 111) 25/12/25,00 技术参数:活塞直径 25 mm / 活塞杆直径 12 mm / 行程 25.00 mm 206 工作模式:双作用,两侧介质相同(doppeltwirkend, beidseitig gleiches Medium) M1 特殊配置:活塞杆末端内螺纹(Pistonstangenende mit Innengewinde) 详细技术参数与翻译
1. 安装形式 111(带关节轴承的铰接耳板)
德语原文:
• Schwenkauge mit Gelenklager (Bauform 111)
• Unterstützt horizontale oder schräge Montage mit Gelenkkopfen
• Lagerung aus gehärtetem Stahl für hohe Belastbarkeit
中文翻译:
・带关节轴承的铰接耳板(安装形式 111)
・支持通过关节头进行水平或倾斜安装
・硬化钢轴承,承载能力强2. 技术参数(25/12/25,00)
参数类型 数值 活塞直径 25 mm 活塞杆直径 12 mm 行程 25.00 mm 推压面积 4.91 cm²(π×(25/2)²/100) 拉压面积 3.78 cm²(推压面积 - 活塞杆截面积)
压力 - 推力表(部分摘录):压力 推压力(daN) 拉压力(daN) 100 bar 491 378 3. 工作模式 206(双作用)
德语原文:
• Doppelwirkend, auf beiden Seiten das gleiche Medium
• Stoss- und Ziehkraft linear abhängig von Druck und Kolbenfläche
• Unterstützt kontinuierliches Hin- und Herbewegen ohne externe Rücklaufkraft
中文翻译:
・双作用,两侧介质相同
・推压力和拉压力与压力和活塞面积呈线性关系
・支持连续往复运动,无需外部回程力4. 特殊配置 M1(活塞杆末端内螺纹)
德语原文:
• Pistonstangenende mit Innengewinde nach DIN 912
• Gewindegröße: M10 × 1,5 (entspricht a6 = M10)
• Länge der Innengewindesektion: 18 mm (entspricht a5 = 18)
中文翻译:
・活塞杆末端内螺纹符合 DIN 912 标准
・螺纹规格:M10×1.5(对应 a6 = M10)
・内螺纹段长度:18 mm(对应 a5 = 18)5. 缓冲系统(适用于活塞直径 25 mm)
缓冲参数 数值 缓冲行程 15 mm 缓冲面积 5.5 cm² 缓冲类型 渐进式过渡 完整型号说明(中文整合)
Z100-111-25/12/25,00-206/M1 表示:
• Z100 系列圆形液压缸,采用带关节轴承的铰接耳板安装(111 型),活塞直径 25 mm、活塞杆直径 12 mm、行程 25.00 mm;工作模式为双作用(206 型),两侧介质相同;活塞杆末端配置M10×1.5 内螺纹(M1 配置)。
技术特点:- 推压力在 100 bar 时为 491 daN,拉压力 378 daN;
- 末端缓冲行程 15 mm,缓冲面积 5.5 cm²,适用于中压工况;
- 关节轴承安装允许角度偏移,适合需要摆动运动的机械系统。

系列参数HEB Z100 圆形液压缸
圆形液压缸 / Vérin en forme arrondie应用领域
・模具制造・工具制造・夹具构造
末端位置检测:通过 ZNI101 或 ZMS100 实现技术参数
额定压力:100 bar
测试压力:150 bar
*大行程:3000 mm
活塞直径:16 至 100 mm结构与特性
德语描述 ・采用成熟螺纹结构的圆形液压缸 ・活塞杆运行表面硬铬镀层、磨削和抛光 ・活塞直径和活塞杆直径符合 DIN/ISO 3320 标准 ・行程(行程公差符合 DIN/ISO 2768m):按客户要求 0.1 mm 至 3000 mm ・大行程时需注意*大允许屈曲载荷(见屈曲载荷图) ・可调整开关点(即充分利用液压缸行程,但开关脉冲根据预设开关点提前触发)。可通过在订货名称中添加以下内容指定开关点偏移:
SPS 3* = 活塞杆侧距末端 3 mm
SPK 3* = 活塞侧距末端 3 mm
SPB 3* = 两侧距末端 3 mm
(* 开关点偏移量 1-5 mm)・重复精度为 0.05 mm ・为避免开关误动作(开关滞后),原则上*小行程需保持 3 mm ・一旦固定的开关点无法后续调整 活塞杆速度与密封件
德语描述 ・对于更高速度,需更改接口尺寸并配备末端缓冲或外部行程限制(请咨询我们) ・末端缓冲带渐进式过渡至缓冲阶段,原则上活塞直径≥20 mm 时提供,≥25 mm 时可调节 ・活塞杆密封件标准配置为 PU 槽环(其他密封变体可按需提供)
活塞密封件标准配置为 PTFE,摩擦系数极低;作为静态密封的替代方案,提供特殊密封(S35)・标准密封适用于符合 DIN 51524/51525 的 H、HL、HLP 型液压油,温度范围 - 20°C 至 + 90°C
使用其他液压油或更高温度时,需采用其他密封材料(请注意我们的特殊配置或联系我们)・通常提供改型设计、带冷却的液压缸以及客户定制化产品 —— 请联系我们 技术数据
活塞直径与活塞杆直径
活塞直径(mm) 16 20 25 32 40 50 63 80 100 活塞杆直径(mm) 8 10 12 16 20 25 32 40 50 活塞面积与推力(推压)
压力 5 bar 8 bar 12 bar 20 bar 25 bar 40 bar 63 bar 80 bar 100 bar 推压面积(cm²) 2.01 3.14 4.91 8.04 12.56 19.63 31.16 50.24 78.50 推压力(daN) 10 16 24 40 50 80 126 160 201 拉压力(daN) 7.5 12 18 30 37 60 95 120 151 缓冲行程与缓冲面积
活塞直径(mm) 16 20 25 32 40 50 63 80 100 缓冲行程(mm) 4 10 15 15 15 20 24 25 - 缓冲面积(cm²) 2.0 3.4 5.5 8.8 13.5 22.1 34.4 54.8 - 特殊配置
其他特殊配置:配置 描述 S3/S5 ・全表面化学处理的耐腐蚀版本
・耐高温密封件,适用于 H、HL、HLP 型液压油(DIN 51524/51525),温度 + 100°C 至 + 200°CS7 ・两侧带放气螺钉,用于软管连接 S8 ・缸底侧面接口,与活塞杆侧接口对齐(*大偏移 ±5°)(见第 6 页) S13 ・活塞杆运行表面硬化和硬铬镀层 S14 ・活塞杆材质 1.4301(不锈钢),硬铬镀层 S16 ・管体与缸底一体成型(≤100 mm,仅适用于安装形式 100、101、102、103、104、106、107、109、110) S19 ・活塞杆螺纹 d2G,L3+L4 适配杆端(请务必说明类型) S23 ・前端法兰带定位凸缘(根据 Z100-ZE 数据表)(见第 6 页) S35 ・活塞静态密封 S41 ・不锈钢耐腐蚀版本(材质 1.4301) M1 ・活塞杆末端内螺纹 B1.1 ・活塞杆末端外螺纹(按客户要求,需注明 L3、L4、d2G) M1.1 ・活塞杆末端内螺纹(按客户要求,需注明 a4、a5、a6)
活塞杆末端定制、特殊液压流体密封件、高速运行设备(>12-18 m/min)、串联缸、多位置缸、柱塞缸、非接触式信号输出缸、带冷却套缸及所有客户定制化产品。安装形式与工作模式
安装形式概览
订货代码 描述 对应页码 101 螺纹固定 11 102 前端螺纹孔 12 103 前端法兰 13 104 中部法兰 14 105 后端法兰 15 106/107 1 个 / 2 个固定支脚(后端支脚可移动) 16 108 后端耳轴 17 109 中部耳轴(位置可变) 18 110 前端耳轴 19 111/116 带关节轴承 / 固定轴承的铰接耳板 20 101/101 同步缸(螺纹固定 / 螺纹固定) 21
注意:部分安装形式可组合使用,例如:后端法兰 + 前端法兰(105/103)、带中部 / 前端耳轴的同步缸(109/101 或 110/101)等。由于无法列出所有组合,建议联系我们确认。工作模式
代码 德语描述 200 单作用,推压工作,外部力回程(活塞直径≥20 mm) 202 单作用,推压工作,弹簧回程(活塞直径≥20 mm) 204 单作用,拉压工作,弹簧回程(活塞直径≥20 mm) 206 双作用,两侧介质相同 208 双作用,两侧末端缓冲可调节(活塞直径≥25 mm) 210 双作用,前端缓冲可调节(活塞直径≥25 mm) 212 双作用,后端缓冲可调节(活塞直径≥25 mm) 214 双作用,贯通活塞杆 215 双作用,贯通活塞杆,两侧缓冲可调节(活塞直径≥25 mm) 217 双作用,贯通活塞杆,单侧缓冲可调节(活塞直径≥25 mm) 订货示例
示例:Z100 - 101 - 100 / 50 / 150,00 - 206 / B1 / S5
・HEB 圆形液压缸,工作压力≤100 bar
・101 = 螺纹固定
・活塞直径 100 mm,活塞杆直径 50 mm,行程 150.00 mm
・206 = 双作用
・B1 = 活塞杆末端外螺纹
・S5 = 耐高温密封件,适用于 H、HL、HLP 型液压油(DIN 51524/51525),温度 + 100°C 至 + 200°C(特殊配置)
品牌介绍HEB Hydraulik-Elementebau GmbH 位于弗赖堡,是全球高质量液压缸的领先制造商之一,这些液压缸被广泛应用于世界各地的各种行业。
原则:将液压压力转化为机械驱动能量,以使工艺序列高效且安全。凭借40多年的知识和经验,我们提供全面的耐用且精确配合的*高质量、*佳可用性的气缸解决方案。这节省了空间、重量、能源和*终成本。产品组合范围从成熟的HEB标准解决方案的批量生产到根据各自客户要求单独调整的特殊设计。HEB气缸可以在许多德国和国际公司的操作设备法规中找到。

从1980年至今,HEB的一个特别优势是基于我们的质量标准,高质量地生产客户特定的多版本解决方案。我们在可持续性和经济性方面也设立了标准。因为HEB的气缸在适配精度和使用寿命方面都令人信服。备件可以在*短的时间内提供。这保护了环境,也为客户带来了利益。
HEB在市场上的表现一直稳健且成功,已经40年了。这是一家家族企业,由第二代家族成员管理,公司核心由70名员工组成,其中一些员工已经在公司工作了很多年,并且正在谨慎地向第三代过渡。我们的责任不仅在于我们的员工,还在于我们忠诚的客户,他们明天仍然可以依赖HEB。
天津瑞思拜科技有限公司(Tianjin Risby Technology Co.,Ltd)是一家从事工业设备、自动化产品,仪器仪表等进口工业品服务商,提供过程控制技术咨询,工业自动化集成设计与改造,成套设备与技术引进等工业技术应用及产品供应服务。产品广泛应用于能源化工、汽车制造、冶金、石油、航空航天、电力、电子、食品饮料、制药、注塑、橡胶、医疗等行业。瑞思拜与欧美众多厂家达成战略合作,为中国制造业赋能,提供一个以工业品为依托,集售前选型,产品销售,技术服务,安装调试,售后服务于一体的平台。
关于我们
我们是德国 RVT SYSTEME搅拌器、德国 DOSTMANN 温湿度测量仪、英国 LEO BODNAR 视频信号测试仪、英国 LEVEL DEVELOPMENTS 倾角仪、德国 NEDO 激光测量仪、比利时 AGFA等多家产品的合作代理商。 -
供应商的其他相关信息
查看更多
扫一扫,手机浏览




















